Alumnos de Ingeniería desarrollan innovadora caja de condicionamiento operante
Este dispositivo permite realizar estudios en animales para lograr un acercamiento al conocimiento de la conducta humana mediante el análisis de las respuestas a estímulos positivos, negativos o de refuerzo.
Los alumnos Elpidio Daniel Concha Ojeda, Pablo Isacc González Gutiérrez, Alexis Antonio Méndez Sosa y Luis Alonso Gerardo Alcántar, con el apoyo del profesor León Hamui Balas, integrantes de nuestra Facultad de Ingeniería, hicieron una caja de condicionamiento operante programada para llevar a cabo investigaciones de conductismo.
“Diseño, construcción y programación de una caja de condicionamiento operante”
Introducción
El condicionamiento operante es un proceso de ejercer control sobre la conducta de un organismo en un cierto ambiente por medio de la aplicación de un refuerzo. Hay estímulos como el agua y la comida que tienen la propiedad de reforzar la conducta sin que el organismo haya tenido experiencia previa de ellos, a estos se les llama reforzadores incondicionados.
Para los investigadores es importante crear conductas operantes nuevas o que no existan en el organismo, lo cual se le conoce como moldeamiento, donde a través de una combinación de reforzamientos se va obteniendo la conducta nueva deseada.
La caja de condicionamiento operante es un dispositivo que permite realizar estudios en animales con cierta capacidad cognitiva con el fin de lograr un acercamiento al conocimiento de la conducta humana mediante el análisis de las respuestas a estímulos positivos, negativos o de refuerzo. En su versión más simple, consiste en una celda completamente aislada de sonidos y de cualquier otro factor externo que pudiera intervenir en el experimento. Dentro de la caja se encuentra una palanca que el animal debe presionar con el fin de conseguir el alimento (refuerzo positivo).
Figura 1. Caja de condicionamiento operante
Objetivo
Desarrollar una caja de condicionamiento operante programada para llevar a cabo investigaciones de conductismo.
Metodología
Dependiendo el tipo de estímulo seleccionado como reforzador de aprendizaje o desaprendizaje, el animal, al presionar la palanca, recibirá ya sea un estímulo positivo (alimento) o negativo (un toque eléctrico).
Figura 2. Funcionamiento de una caja de Skinner
A continuación se cita un proceso representativo de un experimento realizado con una caja de condicionamiento operante, el cual se obtuvo a través de un artículo presentado por la Revista Latinoamericana de Psicología en el año de 1999.
Se usó una caja experimental estándar para ratas (BRS/LVE, mod. núm. 143-04) equipada con un dispensador de pellas (BRS/LVE, mod. núm. PDH-020), un comedero y una palanca de respuesta retráctil (BRS/LVE mod. núm. RRL-015). La palanca se colocó en el centro de la pared frontal de la caja, a 4 cm a la derecha del comedero y a 3 cm del piso de la caja; era de 2.5 cm de ancho y sobresalía 2 cm hacia el interior de la caja. Una presión de aproximadamente 0.10 N activaba el interruptor de respuestas. Un foco de 24 voltios colocado al centro de la pared frontal de la caja y a 10 cm del piso proporcionó la iluminación general.
Como reforzador se emplearon pellas de comida de 25 miligramos. Las pellas se manufacturaron en este laboratorio remoldando comida molida para ratas (Nutricubos de Purina). La caja experimental se encontraba dentro de un cubículo sono-amortiguado, hecho de madera y en un cuarto separado del laboratorio principal. El experimento se controló automáticamente mediante una microcomputadora 18M, acoplada a la caja experimental mediante una interface Advantech (mod. núm. PCL- 725).
Resultados
Figura 3. Diseño propuesto para la caja de condicionamiento operante
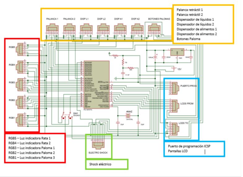
La caja integra más componentes que otras del mercado, cuenta con cinco indicadores luminosos de estado de estímulo con siete colores cada uno, dos palancas retractiles para rata, tres botones para palomas, dos dispensadores de comida, dos dispensadores de líquidos, un sistema de castigo para refuerzo de aprendizaje y una interface humano-maquina mediante diversos display LCD que permiten una mejor visualización de los datos relevantes para los investigadores; lo que la hace más flexible para adaptarla a diversos experimentos, ampliando la gama de usos posibles y de centros de investigación que podrían emplearla.
Su amplia superficie transparente permite al investigador observar al sujeto de estudio mientras se desarrolla el experimento y además permite que el sujeto de estudio se sienta más libre gracias al espacio extra, lo que lo hace menos susceptible a estrés por confinamiento, mejorando la fiabilidad de los resultados de la investigación sin interferir con el cumplimiento de las normas de laboratorio.
Te invitamos a consultar la investigación de “Diseño, construcción y programación de una caja de condicionamiento operante” de nuestros alumnos Elpidio Daniel Concha Ojeda, Pablo Isacc González Gutiérrez, Alexis Antonio Méndez Sosa, Luis Alonso Gerardo Alcántar y León Hamui Balas, integrantes de nuestra Facultad de Ingeniería.
Más información:
Dirección de Investigación
Dr. José Rodrigo Pozón López
jose.pozon@anahuac.mx

