Prototipo facilitador de canalización
Liderazgo Anáhuac en Innovación
La revista +Ciencia de la Facultad de Ingeniería comparte un artículo en el que se analizaron algunos visualizadores de venas comerciales que existen para entender su funcionamiento y posteriormente se desarrolló un prototipo para hacer más fácil la canalización.
La revista +Ciencia de la Facultad de Ingeniería nos comparte interesantes artículos sobre la microscopía electrónica de barrido en la caracterización de materiales, los sistemas grises. ¿Qué tan compleja debe ser la ciencia? o el desarrollo de nuevos catalizadores para su uso en la producción de hidrógeno a partir de biomasa.
Prototipo facilitador de canalización
Figura 1. Representación de una canalización y la venoclisis.
En el semestre enero-junio 2022, mis compañeros Katya, Gustavo y yo cursamos la materia de Prácticum II Diseño y construcción de Sistemas Biomédicos, la cual consiste en buscar un beneficiario (empresa) y ofrecer una solución a alguna problemática que presente. En nuestro caso, elegimos a la Cruz Roja Mexicana, Delegación Huixquilucan, que es una unidad de atención médica de primer nivel, responsable de brindar atención prehospitalaria a los ciudadanos del municipio ubicados en dicha delegación.
La problemática que presentaba fue la siguiente: los paramédicos o ciertos profesionales de la salud tenían complicaciones al realizar el procedimiento de canalización intravenosa periférica en la zona del antebrazo. Este procedimiento consiste en la introducción de un dispositivo médico llamado catéter intravenoso (para simplificar la explicación se le llamará “catéter”) a través de una punción en la piel hasta ingresar al interior de la vena, técnica también denominada venopunción (haciendo referencia a la punción de la vena con el catéter), con el objetivo de conseguir una vía entre la vena y una venoclisis (que es la manguera transparente de plástico que conecta la solución o medicamento con el catéter). Seguramente lo has visto al ingresar a un hospital o al visitar a alguien que está internado [1].
¿Para qué sirve la canalización?
La canalización permite introducir medicamentos o soluciones al cuerpo de la manera más rápida, comparada con otras vías de administración de fármacos, ya que se tiene acceso directo a la circulación venosa. De esa manera, el medicamento o solución se dirigirá al corazón y después al resto del cuerpo [1]. Por ello, la canalización intravenosa resulta ser uno de los procedimientos más practicados en hospitales [2]. Aunque se le considera una técnica cotidiana y de bajo riesgo, representa en ocasiones un desafío para el personal de la salud por el grado de dificultad que conlleva realizarla, ya que requiere de ciertos conocimientos teóricos y prácticos para enfrentarse a las características singulares que pueden encontrar en cada paciente, como son edad, color y textura de la piel, así como grosor y profundidad de la vena a canalizar [3], [4]. Además, es importante considerar que existen diversos tamaños y calibres de catéteres, debido a que cada calibre permite un flujo de líquido determinado, por lo que cada uno se utiliza en situaciones diferentes.
Complicaciones de la canalización
Una de las principales complicaciones durante la venopunción es la dificultad de visualizar y/o palpar la vena, lo cual eleva el porcentaje de fallo y por ende la probabilidad de complicaciones, ya que se podría ocasionar lesiones adicionales.
Algunos datos estadísticos respecto a la canalización intravenosa es que se alcanza una tasa de éxito de 91 % hasta un cuarto intento. Estos múltiples fallos en la canalización intravenosa en un paciente pueden conllevar a angustia debido al dolor del procedimiento, disminución de la satisfacción del paciente durante el tratamiento y traumatismo local en forma de hematomas [5]. De manera general, lo ideal sería asegurar una única punción para minimizar los riesgos y complicaciones que puede conllevar una mala venopunción.
Descripción de la problemática
En ese momento, nos dimos cuenta de que lo que necesitábamos era un dispositivo que permitiera ver la red venosa y que tuviera un asistente para la venopunción, porque en el mercado no existe uno que integre ambas funciones, para poder asegurar una técnica correcta de venopunción al ver claramente las venas.
Visualizadores de venas
Una herramienta que se ha desarrollado para facilitar la venopunción son los visualizadores de venas, los cuales, como su nombre lo indica, ayudan a visualizar las venas con el fin de elegir una para su canalización. Algunas ventajas que representan son la disminución del número de intentos necesarios, el porcentaje de error y la duración del procedimiento de canalización intravenosa periférica, con lo cual logran aumentar la tasa de éxito de los procedimientos [5].
Decidimos analizar algunos visualizadores de venas comerciales que existen para entender su funcionamiento. En particular, cómo logran indicar el trayecto de la red vascular venosa con el fin de hacer un proceso de ingeniería inversa para entender o tener una idea de los componentes electrónicos que requiere y los materiales que conlleva, con el fin de poderlo aplicar en nuestro prototipo, tomando en cuenta las necesidades y recursos de nuestro beneficiario.
Los dos principales que analizamos fueron AccuVein AV400 y Veinlite Ledx. El primero funciona por medio de la emisión de luz infrarroja y un proyector de luz visible, donde la red venosa absorbe una porción de la luz infrarroja causando la reflexión de la imagen contrastada. La señal obtenida es procesada y filtrada para generar la imagen de salida. Después, la imagen contrastada es proyectada en la superficie de la piel del paciente [7]. Por otra parte, el Veinlite Ledx funciona por medio de transiluminación, el cual emplea un arreglo de LEDs de color naranja y rojo, los cuales permiten resaltar las venas subcutáneas al contrastarlas, mediante luz visible que se dirige a la piel y es absorbida por la sangre venosa. Los LEDs se colocan en un circuito en la cabeza del dispositivo, en forma de U, para poder rodear el área de interés. Este arco se presiona contra la piel del paciente, en un lugar donde pueda haber posibles venas y se dirige la luz de los LEDs a la piel para contrastar las venas que pasen por el centro del aro [8], [9].
Al analizar los dos, concluimos que el transiluminador de venas (Veinlite Ledx) era la opción más viable para implementar en este proyecto, debido a que al usar la luz visible en vez de infrarroja se disminuye la complejidad del dispositivo que se propone al implicar menos componentes electrónicos en el circuito y no requerir un alto nivel de procesamiento de imagen, con lo cual se reducen costos de producción, y así podemos ajustarnos a los recursos económicos del beneficiario. A la vez, permite obtener los resultados esperados (visualizar venas) de manera adecuada.
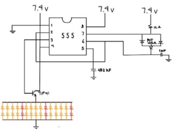
Circuito eléctrico para visualizador de venas
Basado en el dispositivo Veinlite modelo LED+ y el principio de transiluminación, decidimos utilizar una proporción de LEDs 4:1 de naranjas y rojos, debido a que logra la longitud de onda necesaria para la visualización de venas sobre la piel. El circuito necesita:
• Una fuente de voltaje: el voltaje que utilizaríamos en el prototipo fue difícil definir porque los LEDs consumen mucho voltaje (cada uno aproximadamente 2 V), lo cual implica muchas pilas. Pero como se debía considerar un cierto tamaño del dispositivo que tomara en cuenta las medidas antropométricas de los mexicanos en promedio, se consideró utilizar una conexión en paralelo de los LEDs para disminuir el consumo de voltaje. Además, hacer que los LEDs se prendieran y apagaran continuamente, como medida de ahorro de batería. Tras muchas pruebas, se definió de 7.4V, mediante 2 pilas de 3.7 V.
• Un temporizador 555: permite obtener señales oscilatorias entre el encendido y apagado de los LEDs a una frecuencia que los humanos no podemos detectar (entre 50 y 60 Hz), para que se puedan prender y apagar continuamente, sin que lo detectemos.
• Un interruptor o switch: para encender y apagar el dispositivo.
• Potenciómetro: permite variar el ancho de pulso de las señales para obtener la frecuencia de encendido/prendido deseada.
• 2 diodos: permiten el intercambio rápido entre encendido y apagado.
• Resistencias de 1kΩ, para limitar la corriente con el fin de evitar dañar a los diodos.
• LEDs: 24 naranjas y 6 rojos, de tamaño de 3 mm para que el dispositivo tuviera una dimensión adecuada para el paciente y funcionara con 20 mA.
• Capacitores de: 472 kF y 1F: forman parte del circuito oscilatorio para garantizar la frecuencia deseada.
• Un transistor TIP41: provee la corriente necesaria para que los LEDs logren encenderse, al haberse limitado con el circuito 555.
• Fusible: como medida de protección para el paciente.
El circuito final se ve de la siguiente manera:
Figura 2. Circuito eléctrico final para el visualizador de venas.
Cantidad de LEDs necesarios
Se procedió a buscar en la literatura la cifra teórica necesaria de iluminación requerida para ver venas, lo cual resultó ser a partir de 4000 mcd (milicandelas) que, en las condiciones del artículo consultado (a 27 mm de la fuente de iluminación), equivalen a 5560 lx [10]. Realizamos varias pruebas para obtener una cantidad aproximada a la deseada, prime-ro con 30 LEDs y después con 42 LEDs en total. Con esta última cifra, el sensor Wide Range Light Meter de la marca Extech Instruments registró 280 lx, por lo que no es posible obtener los 5k lx, además de que al utilizar los 42 LEDs se requirió una fuente de 10 V, que no es viable por la cantidad de pilas que requiere. Por ello, optamos por los 30 LEDs, debido a que permitían la proporción 4:1 (24 LEDs naranjas y 6 rojos) deseada y que los LEDs se lograban prender con los 7.4 V, que equivalen a las 2 pilas acordadas. Al medir la luminosidad con los 30 LEDs el sensor registró 320 lx.
Nota 1: construimos una caja oscura que tuviera un orificio circular para que se pudiera colocar el sensor Wide Range Light Meter con el fin de que pudiera detectar de manera más precisa y sin interferencia de la luz natural ni artificial del ambiente, la cantidad de Luxes (lx) que iluminaba el circuito.
Nota 2: el sensor Wide Range Light Meter presenta una curva de sensibilidad que hace que sea muy poco sensible para detectar el color naranja y prácticamente insensible al color rojo, lo cual implica una gran limitación para el proyecto.
Dispositivo para la canalización
Con respecto a nuestro beneficiario, realizamos encuestas a 10 paramédicos de base para conocer sus opiniones sobre las dificultades del procedimiento de la canalización intravenosa y tomamos en cuenta las razones que se presentaban con mayor frecuencia para definir el dispositivo de asistencia para la canalización.
Para definir la mejor versión del diseño del prototipo realizamos una matriz QFD (Quality Function Deployment), esta es una herramienta de planificación que desarrolla una sistemática para transmitir las características que deben tener los productos a lo largo de su desarrollo [11]. Por lo que cada integrante del equipo hizo una propuesta de diseño y entre los integrantes del equipo calificamos cada aspecto de 1 a 5, de manera que el diseño final consideraría los siguientes aspectos:
• Forma del asistente mecánico: rampa amplia
• Posición en la que se ubicará el asistente mecánico: desde la mano dirigida hacia el brazo
• Posición en la que se colocará el visualizador: desde el brazo dirigido hacia la mano
• Forma del visualizador: circular
• Organización del arreglo de LEDs: circular distribuidos uniformemente
• Acomodo de las pilas: debajo de la rampa
• Uso del torniquete: externo al dispositivo
• Método de sujeción al brazo: uso de correa
Implementando las mejores características de cada diseño, construimos un modelo en 3D en el programa de diseño Fusion 360 para imprimirse posteriormente por medio de impresión 3D.
Para la sujeción al brazo decidimos utilizar un torniquete elástico tipo clip, que se agrega en el diseño en la parte central de la rampa mediante unas ranuras paralelas del ancho del elástico por las cuales se pasará la banda del torniquete. Dado que atravesará por dentro de este, se calculó la deformación estimada que sufrirá el material al realizar un esfuerzo. Estos cálculos se realizaron por medio de simulación en el programa de diseño en 3D SolidWorks.
En cuanto a la rampa, tiene una inclinación fija de 15° respecto a la vertical hasta el centro del círculo, esto porque es la inclinación requerida para la venopunción, para todos los calibres de catéteres. Además, la rampa tiene una apertura de 35° para que el usuario pueda ajustar la aguja según la posición y dirección de la vena, conforme la detecte con el visualizador. Una parte del círculo de la cabeza se puede abrir mediante una bisagra para que se pueda retirar el dispositivo después de la venopunción y conexión del equipo para venoclisis.
Por último, según las medidas antropométricas de la población latinoamericana [12], el antebrazo (codo-muñeca) de una mujer entre 18 - 65 años mide 24 cm y para un hombre 22.6 cm. El tamaño final del dispositivo es de 17.6 x 8 x 2.6 cm, esto deja espacio para el uso de torniquete y la búsqueda de la vena.
El prototipo fue impreso en 3D debido a la alta resolución para los detalles. En específico, fue fabricado por medio de filamento de termoplástico PLA (Ácido Poliláctico), ya que a comparación del plástico ABS (Acrilonitrilo Butadieno Estireno) resiste mejor a la deformación del modelo que causa el warping y el cracking que son deformaciones que ocurren común mente en modelos grandes. También el PLA puede ser mecanizable (es decir, se puede moldear más fácil después de imprimir con este filamento), por si se requiriera realizar ajustes al diseño una vez impreso [13]. Aunque es muy buen material para el prototipo, se podría considerar en el futuro algún otro tipo de termoplástico con propiedades más adecuadas para el dispositivo final ya comercializable.
Una vez armado y encendido, realizamos pruebas para comprobar el desempeño del prototipo, obteniéndose las siguientes conclusiones:
• No se lograron observar las venas del paciente con tez morena por transiluminación.
• Sí se logró obtener la inclinación de 15° con respecto al objeto de pruebas.
• Tiempo necesario para canalizar usando el prototipo: 90 segundos.
Figura 3. Armado del prototipo de facilitador para canalización.
Propuestas de cambios y mejoras
LEDs: si se continuara con este proyecto, sería necesario cambiar los LEDs por ultrabrillantes para asegurar obtener la intensidad de luz teórica que permite obtener una adecuada visualización de las venas (4 cd) [10], debido a que aportan una intensidad de luz mayor. Tendrían que ser pequeños, de aproximadamente 3 mm para que la cabeza del visualizador de venas del prototipo resulte ser de un tamaño adecuado a las medidas antropométricas de los antebrazos de los mexicanos. Además, se buscaría un sensor que permitiera medir la iluminación de los LEDs que sea sensible en la longitud de onda de los LEDs naranjas y rojos, para poder obtener medidas más exactas.
Circuito: respecto al circuito, se podrían buscar alternativas que permitan colocar más LEDs con el voltaje establecido para que se obtenga una mayor iluminación.
Diseño: resultaría beneficioso modificar la cabeza del visualizador para que fuera más fácil y práctica la colocación de los LEDs, debido a que como está es difícil colocarlos de forma que el centro de la cabeza del LED embone adecuadamente con los hoyos del dispositivo.
Materiales: el material del dispositivo final podría ser ABS para que tuviera un mejor acabado (liso) que facilitara la limpieza de este por medio de un paño y alcohol. Además, gracias a los resultados de las pruebas realizadas se demuestra la necesidad de utilizar un recubrimiento en la parte inferior del dispositivo para que no irrite la piel del paciente y asegurar un mejor aislamiento, por lo que una propuesta podría ser de silicón a base de platino.
Conclusiones
Fue complicado replicar la intensidad luminosa que debe generar nuestro prototipo por algunas limitaciones que enfrentamos en su desarrollo, lo cual también repercutió en otros aspectos del diseño de la fabricación del prototipo, como la elección de los LEDs, la alimentación del circuito y algunos detalles del diseño del modelo.
Cuando estamos diseñando un dispositivo médico siempre hay que considerar las repercusiones en el usuario y en el paciente, por lo que debemos mantener nuestra percepción abierta y no solo centrada en nuestro dispositivo.
El prototipo resultó ser un gran desafío para el equipo, pero también un gran aprendizaje, debido a que pudimos aplicar conocimientos de asignaturas que hemos cursado a lo largo de la licenciatura en Ingeniería Biomédica, tales como Circuitos eléctricos, Bioinstrumentación, Física, Ingeniería de materiales, Biomateriales, Diseño de sistemas biomédicos, Bioestadística, entre otras.
Agradecimientos
A mis compañeros, Katya Corona y Gustavo Shepard, estudiantes de Ingeniería Biomédica. A nuestra asesora de Prácticum, la doctora Marisol Martínez Alanís, y a nuestros sinodales, los doctores Flavio Pontecorvo, José Ramón Álvarez Bada y León Hamui.
Para mayor información, favor de enviar un correo a alin.floresg@anahuac.mx
*Colaboración de Alin Flores García, alumna 10° semestre de Ingeniería Biomédica.
Da clic en la portada para conocer la revista completa
Para más artículos interesantes como este, te invitamos a consultar +Ciencia, la revista cuatrimestral de la Facultad de Ingeniería, que en cada número tiene contenido relevante de sus alumnos e investigadores. Da clic aquí para conocer todas las ediciones.
Referencias:
1. [1] Guía de práctica clínica sobre terapia intravenosa con dispositivos no permanentes en adultos. (2014). Ministerio de Sanidad, servicios sociales e igualdad.
2. Ramos, A., Carrasco, J. y González, A. (2020). Técnica de cateterismo venoso periférico. Universidad Nacional Autónoma de México.
3. Murakami, Y., Ohno, Y., Nishimura, M., Kido, M. y Yamada, K. Evaluating the effectiveness of vascular access imaging device in training of new graduate nurses. IEEE Healthcare Innovation Conference (HIC). (2014). https://doi.org/10.1109/hic.2014.7038945 Consultado el 1 de febrero de 2022.
4. C. Sun et al. Nearinfrared Light Device Can Improve Intravenous Cannulation in Critically Ill Children.(2013). Pediatrics & Neonatology, 54 (3), pp. 194-197. https://doi.org/10.1016/j.pedneo.2012.12.012 Consultado el 1 de febrero de 2022.
5. Rodríguez, C., Díaz, G., Martín, R., Herrador, M. (2017). Eficacia y seguridad en la canalización de vías venosa centrales de acceso periférico en pediatría con técnica ecoguiada frente a técnica convencional. Biblioteca Lascasas, 13. http://www.index-f.com/las-casas/documentos/e11298.php
6. Pérez, A. y De Toledo, J. (2019). Dispositivos de ayuda a la canalización venosa periférica: solución para venas difíciles.
7. Wood. (2013). US Patent 8,463,364 B2 [En línea]. US Patent. Consultado el 11 de marzo de 2022.
8. Veinlite México. Preguntas más frecuentes. https://www.veinlite.com.mx/faq Consultado el 11 de marzo de 2022.
9. Veinlite México. Tablas comparativas de transiluminadores Veinlite. https://www.veinlite.com.mx/tablas-comparativas Consultado el 11 de marzo de 2022.
10. ¿Qué es el color y cuáles son sus propiedades? -Cómo funciona qué. https://comofuncionaque.com/que-es-el-color-y-cuales-son-sus-propiedades/ https://web.cortland.edu/matresearch/QFD.pdf Consultado el 14 de mayo de 2022.
11. Ruiz-Falco, A. (2009, abril). Despliegue de la función calidad. Universidad Pontificia Comillas. https://web.cortland.edu/matresearch/QFD.pdf Consultado el 14 de abril de 2022.
12. Ávila, R., Prado, L., y González, E. (2007). Dimensiones antropométricas de población latinoamericana. Universidad de Guadalajara. https://repository.usta.edu.co/bitstream/handle/11634/14486/2018sergioboh%C3%B3rquez4.pdf?sequence Consultado el 11 de abril de 2022.
13. PLA vs ABS. La comparativa definitiva 2020. (2020). Bitfab. https://bitfab.io/es/blog/pla-vs-abs/#:~:text=Existe%20una%20diferencia%20%20de%20acabado,resultado%20un%20acabado%20%20m%C3%A1s%20brillante Consultado el 14 de abril de 2022.
Más información:
+Ciencia. Revista de la Facultad de Ingeniería
Dra. María Elena Sánchez Vergara
elena.sanchez@anahuac.mx

