Creación de un generador de pulsos para uso en neurofisiología
Liderazgo Anáhuac en Tecnología
La revista +Ciencia de Ingeniería comparte un artículo en el que se establece que es posible construir un generador de pulsos en una versión más económica.
La revista +Ciencia de la Facultad de Ingeniería nos comparte interesantes artículos como la creación de un generador de pulsos para uso en neurofisiología, la técnica de espectroscopía de dispersión de energía como auxiliar para conocer mejor los materiales o si se debe o no preparar especímenes biológicos para estudiarlos con el microscopio electrónico de barrido, además de este sobre la creación de un generador de pulsos para uso en neurofisiología.
Creación de un generador de pulsos para uso en neurofisiología
La neurofisiología comprende el estudio de la fisiología del sistema nervioso. Particularmente, en medicina se emplean diversos aparatos electrónicos para establecer un diagnóstico y estudiar a las neuronas y sus prolongaciones, los cuales transmiten pequeñas corrientes eléctricas que constituyen la base del funcionamiento del sistema nervioso central y periférico.
Una forma de evaluar el funcionamiento del sistema nervioso consiste en la aplicación de pulsos eléctricos con duración de alrededor de 1 milisegundo (ms) de duración para excitar a un nervio periférico ubicado, por ejemplo, en la pierna, para producir una respuesta refleja que viaja a la médula espinal, donde se procesa la información producto de la excitación y posteriormente “sale” a través de otro nervio periférico para hacer contacto con un músculo. La respuesta obtenida se denomina reflejo “H”, en honor a su descubridor el neurólogo alemán Johann Hoffmann.
En el Laboratorio de Análisis del Movimiento de la Escuela de Ciencias del Deporte, el reflejo “H” se estudia en sujetos sanos y en sujetos que presentan alguna patología, como, por ejemplo, la lesión de la médula espinal, esclerosis múltiple y la diabetes mellitus tipo 2. Para producir el reflejo “H” se requiere de un estimulador eléctrico de corriente constante para producir los pulsos eléctricos y un generador de pulsos que “comande” al estimulador eléctrico.
Este generador de pulsos debe dar la orden para que el estimulador genere una cantidad determinada de pulsos o tren de pulsos, con un cierto tiempo entre pulsos (frecuencia) y con un determinado número de repeticiones de trenes de pulsos.
En el mercado existen numerosos modelos de generadores de pulsos, sin embargo, es posible construir uno en una versión más económica que logre solventar las necesidades de los protocolos que se realizan en un laboratorio convencional de neurofisiología. El objetivo de este proyecto consistió en construir un generador de pulsos para comandar mediante una entrada tipo BNC (trigger) un estimulador eléctrico de corriente constante marca Digitimer® DS8R, el cual tiene aprobación de la FDA para uso en humanos. Los requerimientos para el generador de pulsos fueron: generar pulsos con frecuencias de 0.1 a 10 Hz mediante trenes de 5 a 10 pulsos con intervalos entre trenes de 30 s. La salida debe enviar un pulso tipo TTL para comandar al estimulador eléctrico. También se buscó que el generador de pulsos tuviera una interfaz amigable para facilitar su uso entre los investigadores y alumnos que realizan sus proyectos de investigación en el Laboratorio de Análisis del Movimiento.
El proyecto se gestionó en diversas etapas, las principales fueron: programación, simulación, diseño del dispositivo, circuito físico, implementación e integración física, fase piloto y finalización.
Se comenzó con el proceso de programación en donde fue necesario usar un microcontrolador, el cual facilita la generación de señales de salida en general y en este caso, específicamente las requeridas para esta aplicación. Se decidió llevar a cabo el proceso a través de un PIC, el modelo elegido fue el PIC16F887.
Las ventajas de usar el PIC16F887 es su disponibilidad de pines de entradas y salidas de las señales, la fácil programación de este en lenguaje C y el bajo costo que representa en comparación con otros microcontroladores. Además, al formar parte de la familia PIC16F, permite que cualquier otro PIC de esta familia lo pueda sustituir.
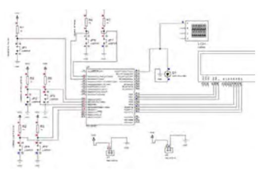
Se realizó el diseño y la simulación del generador de pulsos en Proteus 8 Profesional, obteniendo una configuración de pines del PIC como se muestra en la figura 1.
Figura 1. Diagrama de pines del PIC16F887.
Adicionalmente, cuenta con siete botones N/A que nos permiten variar los valores de las señales. Cada botón se encuentra en configuración pull-up con una resistencia de 1kΩ como se puede observar en la figura 2.
Figura 2. Diseño en proteus del circuito.
Los siete botones se encuentran conectados al siguiente número de pin del PIC y tienen la siguiente funcionalidad:
• Botón 1 - pin 22 (B0): manda el pulso previamente configurado.
• Botón 2 - pin 34 (B1): aumenta la frecuencia del pulso.
• Botón 3 - pin 35 (B2): disminuye la frecuencia del pulso.
• Botón 4 - pin 36 (B3): aumenta el número de pulsos.
• Botón 5 - pin 37 (B4): disminuye el número de pulsos.
• Botón 6 - pin 3 (A1): aumenta el número de tren de pulsos.
• Botón 7 - pin 2 (A0): disminuye el número de tren de pulsos.
Se agregó también un display de 20x4 para hacer la interfaz con el usuario más amigable, dicho display muestra los valores de las variables con las que se está operando como la frecuencia, el número de pulsos y el número de tren de pulsos. La intensidad de la luz se regula con ayuda de un potenciómetro y en la pantalla se muestra una imagen como la observada en la figura 3.
Figura 3. Pantalla de generador de pulsos.
El display se encuentra conectado a los siguientes pines del PIC:
• RS: pin 19 (D0)
• RW: pin 20 (D1)
• E: pin 21 (D2)
• D4: pin 27 (D4)
• D5: pin 28 (D5)
• D6: pin 29 (D6)
• D7: pin 30 (D7)
Los valores aceptados de frecuencia oscilan de entre 1 a 100 Hz y el número de pulsos y de tren de pulsos pueden ir configurados con valores de 1 hasta ∞.
La señal mandada se puede comprobar por medio de un osciloscopio o por simulación, arrojando como resultado una gráfica como la mostrada en la figura 4, donde se puede observar mediante las instrucciones ejemplo de la figura 3, se genera un solo tren de cinco pulsos de 1 Hz cada uno.
Figura 4. Pulsos en el osciloscopio.
Finalizada y comprobada la parte de programación, se pasó al diseño en 3D del PCB y del layout. Esto es opcional, pero ayuda de manera significativa en la implementación física.
Figura 5. Modelo 3D del circuito.
Figura 6. Pistas del circuito.
Figura 7. Pista PCB a imprimir.
Posteriormente, se llevó a cabo la implementación física que requirió para su ejecución el uso de los siguientes materiales:
• Placa fenólica de 10x15 cm
• 7 botones no enclavables N/A
• 7 resistencias de 1kΩ
• 1 display LCD 20x4
• 1 gabinete
• Cable calibre 22
• Conector BNC
• 1 potenciómetro de 1kΩ
Debido a una limitante en instrumentos y materiales disponibles en el momento de la realización, se recurrió a realizar el circuito en una placa fenólica previamente perforada y se decidió seguir la acomodación del diseño PCB con ayuda de cables.
Figura 8. Conexiones físicas.
Figura 9. Conexiones físicas.
Dicho circuito se colocó dentro de un gabinete de plástico, el cual fue perforado para lograr embonar en la caja el display, los 7 botones, el puerto para el cable BNC y la conexión a la alimentación de la corriente.
El resultado final de la integración del circuito y la caja perforada se muestra en la figura 10.
Finalmente, se hicieron las pruebas necesarias. Se realizó la conexión con el equipo que trabajará colaborativamente el generador de pulsos y se comprobó su correcto funcionamiento en general y de cada uno de los parámetros por individual.
El generador a través de la HMI y sus siete botones es capaz de modificar el número de pulsos a mandar, el número de tren de pulsos y la frecuencia de estos. Para hacer uso del generador de pulsos es necesario alimentarlo a través de su cable a una fuente de 5V y conectar el generador de pulsos al estimulador eléctrico a través del BNC.
El costo por elemento utilizado para la creación del dispositivo se despliega en la tabla 1:
Tabla 1. Costo del dispositivo por elemento
Figura 10. Implementación física del generador de pulsos.
Se calcula que el costo aproximado de este dispositivo es de $762 pesos, por lo que podría considerarse un dispositivo relativamente barato para la función que cumple y adaptable a las nuevas necesidades que se vayan presentando, ya que se podría cambiar la programación del microcontrolador simplemente extrayendo el PIC y cargándole un programa diferente.
Agradecemos al coordinador del Laboratorio de Análisis de movimiento de la Facultad de Ciencias del Deporte, el doctor Carlos Alberto Cuellar Ramos, por la oportunidad de conocimiento brindada, ya que, gracias a la necesidad presentada y a la propuesta de soluciones, se logró implementar un dispositivo mecatrónico que cumpliera los requerimientos de control necesarios a un costo accesible.
*Colaboración de Nelia Díaz Ortega, Bryan Cruz Justo y Carlos Alberto Cuéllar Ramos, alumnos de Ingeniería Mecatrónica, 10° semestre.
Da clic en la portada para conocer la revista completa
Para más artículos interesantes como este, te invitamos a consultar +Ciencia, la revista cuatrimestral de la Facultad de Ingeniería, que en cada número tiene contenido relevante de sus alumnos e investigadores. Da clic aquí para conocer todas las ediciones.
Más información:
+Ciencia. Revista de la Facultad de Ingeniería
Dra. María Elena Sánchez Vergara
elena.sanchez@anahuac.mx

